|
|
|
Home | Forums |
Downloads | Gallery |
News & Articles | Resources |
Jobs | FAQ |
| Join |
Welcome !
|
12 Users Online (10 Members):
Show Users Online
- Most ever was 626 - Mon, Jan 12, 2015 at 2:00:17 PM |
Forums
|
Forums >> Revit Building >> Technical Support >> New to Revit and RevitCity.com... Roof Question
|
|
|
active
Joined: Wed, Feb 7, 2007
3 Posts No Rating |
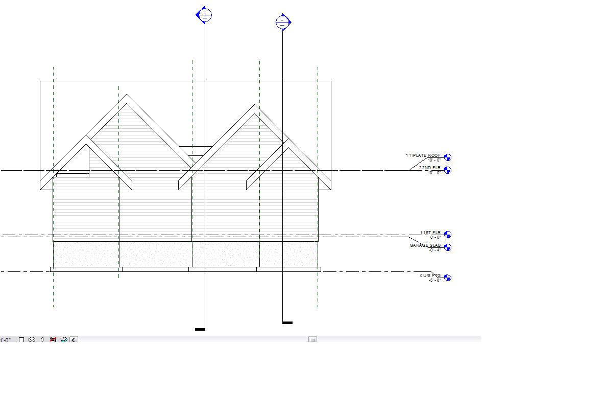
hello,i just bought Revit and AutoCAD07 about a week ago, first time using these programs. i've read the help section in the software, and watched almost all of DGcad's free videos.... doing ok for never taking classes on these programs...but,the roofs are too difficult to figure out on your own.in this image im supose to click one of them gable roofs and then use the roin roofs button then the main gable roof...and bam the roofs are united... but for some reason it wont join the two roofs...what seems to be the problem, any ideas anyone?thanks.and also is there a way to make the whole project smaller so i can post it on the site instead of a pic...right now its 5.5mb
|
This user is offline |
|
 | |
|
|
active
Joined: Tue, Jun 29, 2004
543 Posts
 |
at least temporarily you could edit your roofs to follow the valleys. when you go to edit your roof, click lines instead of pick walls, use the pick arrow, select your valley lines from the other roof, then clean up all your lines. you must have an enclosed shape with no lines extending past any others. I think dgcad has one of those cad clips on roof that are for free.
|
This user is offline |
View Website
|
 |
|
active
Joined: Wed, Feb 7, 2007
3 Posts No Rating |
yeah ... thanks...i did watch that video where he says only roof by lines or only by picking wallsi was so frustrated by that dang roof i forgot allabout it... ty
|
This user is offline |
|
 |
 |
Similar Threads |
|
Revit 2013 Roof Question |
Revit Building >> Technical Support
|
Fri, Jul 13, 2012 at 7:43:31 PM
|
1
|
|
Extruded roof - fascia - (Newbie question) |
Revit Building >> Technical Support
|
Wed, Jul 5, 2017 at 8:12:43 PM
|
13
|
|
Roof Question |
Revit Building >> Technical Support
|
Wed, Sep 20, 2017 at 10:13:43 AM
|
2
|
|
Roof question |
General Discussion >> Revit Project Management
|
Mon, Apr 28, 2008 at 1:30:48 PM
|
1
|
|
New to RevitCity |
Community >> Newbies
|
Mon, Apr 19, 2010 at 7:41:35 PM
|
0
|
 |
|
Site Stats
Members: | 2161655 | Objects: | 23325 | Forum Posts: | 152479 | Job Listings: | 3 |
|