|
|
|
Home | Forums |
Downloads | Gallery |
News & Articles | Resources |
Jobs | FAQ |
| Join |
Welcome !
|
34 Users Online (32 Members):
Show Users Online
- Most ever was 626 - Mon, Jan 12, 2015 at 2:00:17 PM |
Forums
|
Forums >> Revit Building >> Technical Support >> roof challenge !
|
|
|
active
Joined: Sun, Nov 2, 2008
39 Posts No Rating |
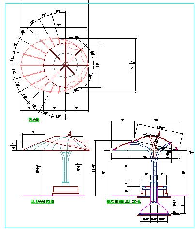
hello everyone... i need to model a traditional cap-like structure whose drawing is attached herewith. the bottom profile is an ellipse and the top profile is a circle which is tilted. if we see it in a cross section, their path is also an arc. It's a very challenging structure and i really dont know how to model it in REVIT. family, massing??.... i have tried everything... It's one of the biggest challenge i have faced till now... can anyone give it a try? come on...let's resolve this... thanks in advance.
|
This user is offline |
|
 | |
|
|
active
Joined: Sun, Nov 2, 2008
39 Posts No Rating |
attached is the revit file for those who wish to try their hands on...
|
This user is offline |
|
 |
|
active
Joined: Sun, Nov 2, 2008
39 Posts No Rating |
attachment !
|
This user is offline |
|
 |
|
active
Joined: Mon, Oct 19, 2009
2 Posts No Rating |
try sweeping the elipse on the path of a circle.
|
This user is offline |
|
 |
|
active
Joined: Sun, Nov 2, 2008
39 Posts No Rating |
the top circle is inclined and the bottom ellipse is flat. thus, sweep doesn't work. Blend also doesn't happen as they are in two different angled work planes.... I tried it by blending in massing... but the cirlce blends with ellipse in a straight slope. in this case, it should be blending in an arc...
|
This user is offline |
|
 |
|
site moderator|||
Joined: Tue, May 16, 2006
13079 Posts
 |
I would probably try using a void to cut your bottom revolve and set the upper revovle on that cut plane.
|
This user is offline |
|
 |
 |
Similar Threads |
|
Roof challenge |
Revit Building >> Technical Support
|
Mon, Nov 15, 2010 at 6:17:26 AM
|
4
|
|
Here is a challenge to make this stairway as a family |
General Discussion >> Wishlist
|
Wed, Oct 28, 2009 at 5:27:30 AM
|
14
|
|
just a challenge, if you think you're up to it |
General Discussion >> Wishlist
|
Thu, Apr 27, 2017 at 9:39:30 AM
|
2
|
|
Roof Design Thoughts? |
Revit Building >> Technical Support
|
Tue, May 5, 2015 at 2:04:26 PM
|
4
|
|
Challenge for the new and expert users! |
Community >> Newbies
|
Tue, Jan 17, 2012 at 11:28:54 AM
|
2
|
 |
|
Site Stats
Members: | 2161655 | Objects: | 23325 | Forum Posts: | 152479 | Job Listings: | 3 |
|